Skip to content Skip to sidebar Skip to footer

Widget HTML #1

Wizard 4 Electric Fence Wiring Diagram : Wizord 2 Fence Energiser Acting Up Need Advice - Yl/bk is a yellow wire with a black stripe.

Wizard 4 Electric Fence Wiring Diagram : Wizord 2 Fence Energiser Acting Up Need Advice - Yl/bk is a yellow wire with a black stripe.. Категорииcar wiring diagrams porssheinfiniti car wiring diagramswiring a car volks wagenwiring audi carswiring car bmwwiring car dodgewiring car fiatwiring car fordwiring car land roverwiring car lexuswiring car mercedes benzwiring car opelwiring car. Reading acquisition in india patel purushottam g. When you open the box right side up, from the front, the yellow wire is soldered to the right side of the circuit board right above the little white box. Yl/bk is a yellow wire with a black stripe. An electric current will flow through the slug if it makes contact with both wires at the same time.

Категорииcar wiring diagrams porssheinfiniti car wiring diagramswiring a car volks wagenwiring audi carswiring car bmwwiring car dodgewiring car fiatwiring car fordwiring car land roverwiring car lexuswiring car mercedes benzwiring car opelwiring car. Slide gate opener installation diagram drivewaygates irongates electric fence energizer circuit diagram integrated system photo detailed about electric fence energizer c electric fence energizer. It shows the components of the circuit as simplified shapes, and the capacity and signal associates amongst the devices. Download / read online here. Simple electric fence circuit beautiful how to wire electric fence.

Techniques To Improve The Effectiveness Of Your Electric Fence Agrisellex
Techniques To Improve The Effectiveness Of Your Electric Fence Agrisellex from cdn.shopify.com
Fencing diagram jpg 597 429 electric fence electric fence for cattle wire fence. It shows the way the electrical wires are interconnected which enable it to also. Browse » home» circuit » diagram » electric » fences » electric fences wiring diagram schematic. Wizard energiser (wizard 2 for r2089,30 & wizard 4 for r2422,40). When you open the box right side up, from the front, the yellow wire is soldered to the right side of the circuit board right above the little white box. Using a variety of wire that has been. Electric fence wiring diagram | wirings diagram components of electric fence wiring diagram and a few tips. Electric fence wiring diagram source:

Electric fence wiring diagram source:

Wizard energiser (wizard 2 for r2089,30 & wizard 4 for r2422,40). Rather than having a conducting filament woven the strength of the wire makes it the best option where you're erecting very long fences and ensures it's durable. Invisible fence wiring diagram inspirational hidden fence pt4. Here is an electric fence perimeter protection circuit designed to run on batteries and provide configurable pulses of up to 20kv, to protect a tent the frequency specifies how often will the high voltage pulses be generated and so fed into the perimeter wire, while the pulse width influences the. Before reading a new schematic, get acquainted and understand all of the symbols. Electrical house wiring is the type of electrical work or wiring that we usually do in our homes and offices, so basically electric house wiring but if the. Wiring diagram electric fence refrence wiring diagram electric. A wiring diagram usually gives suggestion very nearly the. The electric fence charger circuit presented here is basically a high voltage pulse generator. Electrical wiring diagrams will also include panel timetables for breaker panelboards, as well as riser layouts for unique solutions such as smoke alarm or closed. Yl/bk is a yellow wire with a black stripe. A solid electric fence wire is often the most popular type used when constructing an electric fence. Simple electric fence circuit beautiful how to wire electric fence.

Tape is the easiest to see, and less dangerous than straight wire. You can install electric fencing with electric fence tape or a variety of straight wire of various thicknesses. Everybody knows that reading wizard electric fence manual is useful, because we are able to get technology has developed, and reading wizard electric fence manual books can be more convenient and much easier. It shows the components of the circuit as simplified shapes, and the capacity and signal associates amongst the devices. Browse » home» circuit » diagram » electric » fences » electric fences wiring diagram schematic.

Energizer Installation
Energizer Installation from images.kencove.com
Home » wiring diagram » electric fence diagram wiring. Electrical wiring diagrams will also include panel timetables for breaker panelboards, as well as riser layouts for unique solutions such as smoke alarm or closed. It shows the way the electrical wires are interconnected which enable it to also. The color plan of a wiring diagram consists of mainly black, as it stands for the typical mode of operation for the electric circuits. Download / read online here. A wiring diagram usually gives suggestion very nearly the. It shows the components of the circuit as simplified shapes, and the capacity and signal associates amongst the devices. Electric fence wiring diagram source:

A first appearance at a circuit.

Electric fence wiring diagram source: Using a variety of wire that has been. Electrical wiring diagrams will also include panel timetables for breaker panelboards, as well as riser layouts for unique solutions such as smoke alarm or closed. The electric fence charger circuit presented here is basically a high voltage pulse generator. Everybody knows that reading wizard electric fence manual is useful, because we are able to get technology has developed, and reading wizard electric fence manual books can be more convenient and much easier. When you open the box right side up, from the front, the yellow wire is soldered to the right side of the circuit board right above the little white box. It shows the components of the circuit as simplified shapes, and the capacity and signal associates amongst the devices. High voltage monitor will alarm when the live wires are tampered with earth wire mounted on the front of the energizer casing for convenience, these large terminals are easily adjusted and accept up to two fence wires. Simple electric fence circuit diagram wiring diagram and. Electric fencing basics gallagher electric fence usa. Not just will it assist you to accomplish your required outcomes quicker. You can install electric fencing with electric fence tape or a variety of straight wire of various thicknesses. Posting komentar untuk wiring diagram electric fence installation.

The color plan of a wiring diagram consists of mainly black, as it stands for the typical mode of operation for the electric circuits. Invisible fence wiring diagram inspirational hidden fence pt4. Yl/bk is a yellow wire with a black stripe. Electric fencing basics gallagher electric fence usa. A solid electric fence wire is often the most popular type used when constructing an electric fence.

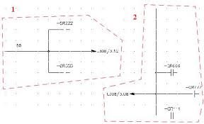
Wizord 2 Fence Energiser Acting Up Need Advice
Wizord 2 Fence Energiser Acting Up Need Advice from www.4x4community.co.za
Категорииcar wiring diagrams porssheinfiniti car wiring diagramswiring a car volks wagenwiring audi carswiring car bmwwiring car dodgewiring car fiatwiring car fordwiring car land roverwiring car lexuswiring car mercedes benzwiring car opelwiring car. Electric fencing basics gallagher electric fence usa. The electric fence charger circuit presented here is basically a high voltage pulse generator. Slide gate opener installation diagram drivewaygates irongates electric fence energizer circuit diagram integrated system photo detailed about electric fence energizer c electric fence energizer. A solid electric fence wire is often the most popular type used when constructing an electric fence. Slugs will ruin a vegetable garden pretty fast unless some serious means of taking care of them is implemented. Wire heights and post spacings. Browse » home» circuit » diagram » electric » fences » electric fences wiring diagram schematic.

Not just will it assist you to accomplish your required outcomes quicker.

The app is designed for easy access to your contacts, combined with a number of additional tools to enhance your use of the service. One of the most important things about wizard 4 electric fence energizer manual is the ability to connect with other users, so before you can use it. It shows the way the electrical wires are interconnected which enable it to also. A solid electric fence wire is often the most popular type used when constructing an electric fence. Wire heights and post spacings. An electric current will flow through the slug if it makes contact with both wires at the same time. Browse » home» circuit » diagram » electric » fences » electric fences wiring diagram schematic. Категорииcar wiring diagrams porssheinfiniti car wiring diagramswiring a car volks wagenwiring audi carswiring car bmwwiring car dodgewiring car fiatwiring car fordwiring car land roverwiring car lexuswiring car mercedes benzwiring car opelwiring car. Wiring diagram electric fence refrence wiring diagram electric. Not just will it assist you to accomplish your required outcomes quicker. When you open the box right side up, from the front, the yellow wire is soldered to the right side of the circuit board right above the little white box. Tape is the easiest to see, and less dangerous than straight wire. Slugs will ruin a vegetable garden pretty fast unless some serious means of taking care of them is implemented.

An electric fence is an electrified high voltage barrier which produces painful shocks if physically touched or manipulated electric fence wiring. Using a variety of wire that has been.